59.51.60.5 - /FXD/2S01C5RHA0/20161207151452/


[To Parent Directory]

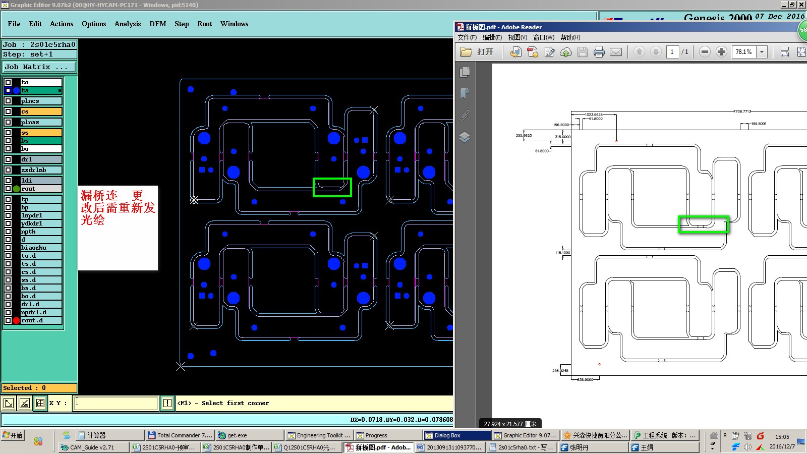
2016/12/7 15:15 282153 漏桥连 更改后需重新发光绘.jpg
2016/12/7 15:15 240656 附边上的定位孔 请定义属性.jpg