59.51.60.5 - /FXD/2V030NRGA0/35ca65bf-3c0d-4059-825c-a63b86987e89/


[To Parent Directory]

2019/1/21 17:19 238485 二次干膜工艺边上的NP孔,需掏开.jpg
2019/1/21 17:19 297886 二次干膜的干膜型号没有要求的.jpg
2019/1/21 17:19 296541 二次干膜,外层干膜用GPM220.jpg
2019/1/21 17:19 440361 工边铺铜没有修边,直接掏出来的,导致有很多这样的小细丝.jpg
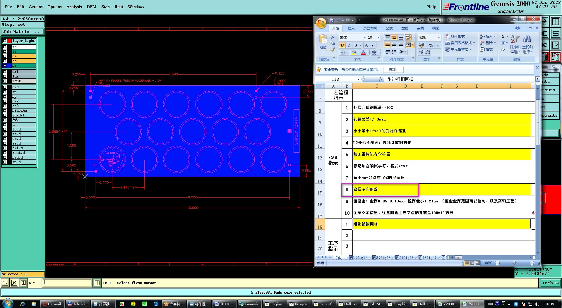
2019/1/21 17:19 434309 此板底层不印阻焊,工艺边是否也不印阻焊,跟预审确认一下.jpg
2019/1/21 17:19 481746 这些字符内容加在线路层,左边的小框被加大了,需要确认,右边打框的字符有间距和位置,需按原稿字体和大小.jpg