59.51.60.5 - /FXD/4S7HC03LA0/20130831131455/


[To Parent Directory]

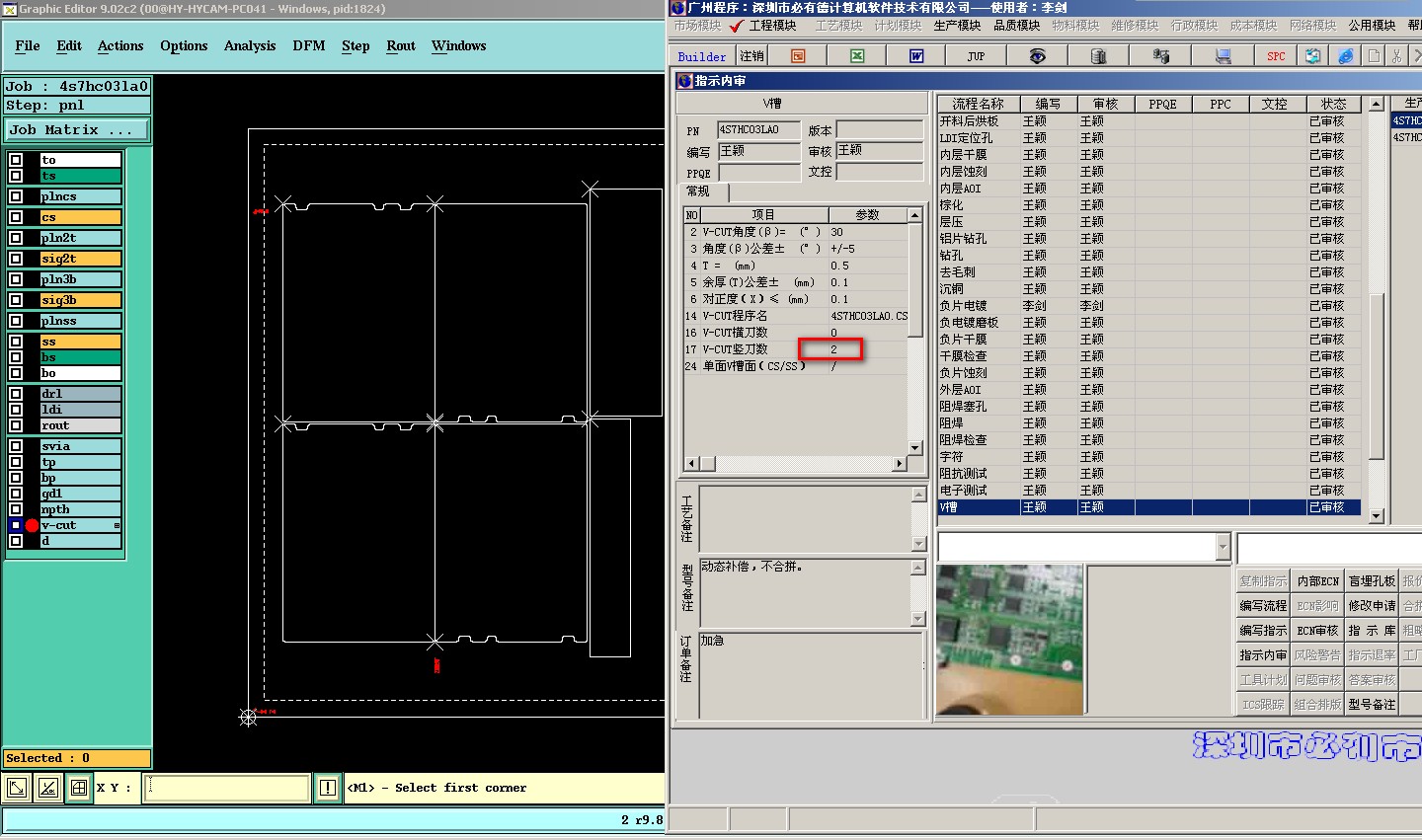
2013/8/31 13:15 292398 1.V-CUT刀数错误.jpg
2013/8/31 13:15 302598 2.周期未按字符框制作.jpg
2013/8/31 13:15 385136 3.多处smd漏处理铜皮里开窗.jpg
2013/8/31 13:15 381474 3.多处smd漏处理铜皮里开窗1.jpg
2013/8/31 13:15 368094 4.字符.jpg
2013/8/31 13:15 284414 5.槽孔偏公差调整有误.jpg
2013/8/31 13:15 324129 6.线间距不足3.2mil.jpg
2013/8/31 13:15 332085 6.间距不足2.5mil.jpg