59.51.60.5 - /FXD/4V058VUMA0/7df59463-564e-4c1c-a3f9-f50eb6d52fc9/


[To Parent Directory]

2017/8/16 16:28 475264 树脂塞孔 补偿错误.jpg
2017/8/16 16:28 361304 此类保证最小2.7mil间距.jpg
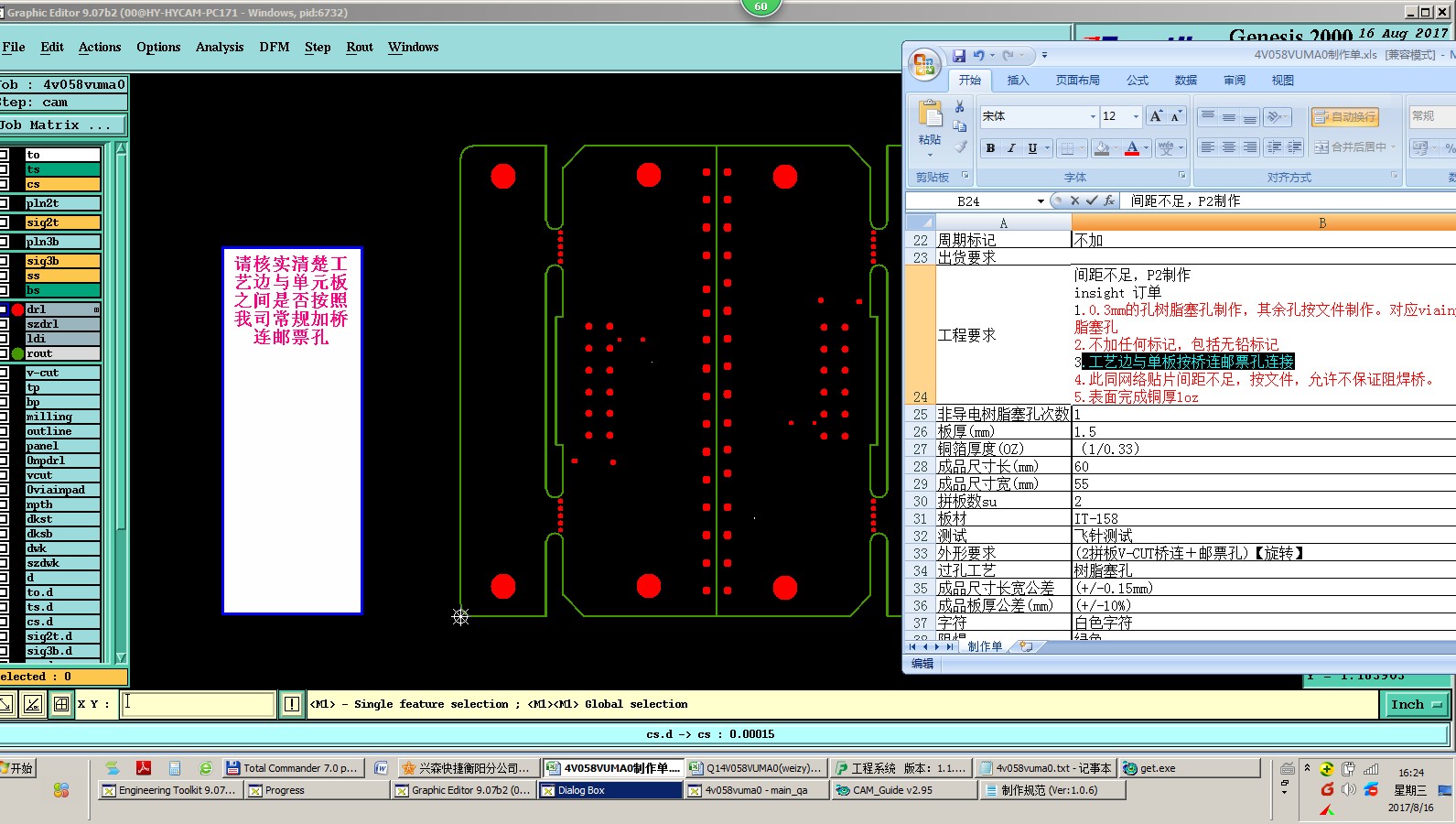
2017/8/16 16:28 344133 请核实清楚工艺边与单元板之间是否按照我司常规加桥连邮票孔.jpg
2017/8/16 16:28 380249 走打印 此类白油桥请优化.jpg