59.51.60.5 - /FXD/6G00A0BPA0/20160220232023/


[To Parent Directory]

2016/2/20 23:20 363962 p6的盘中孔都需掏曝光点.jpg
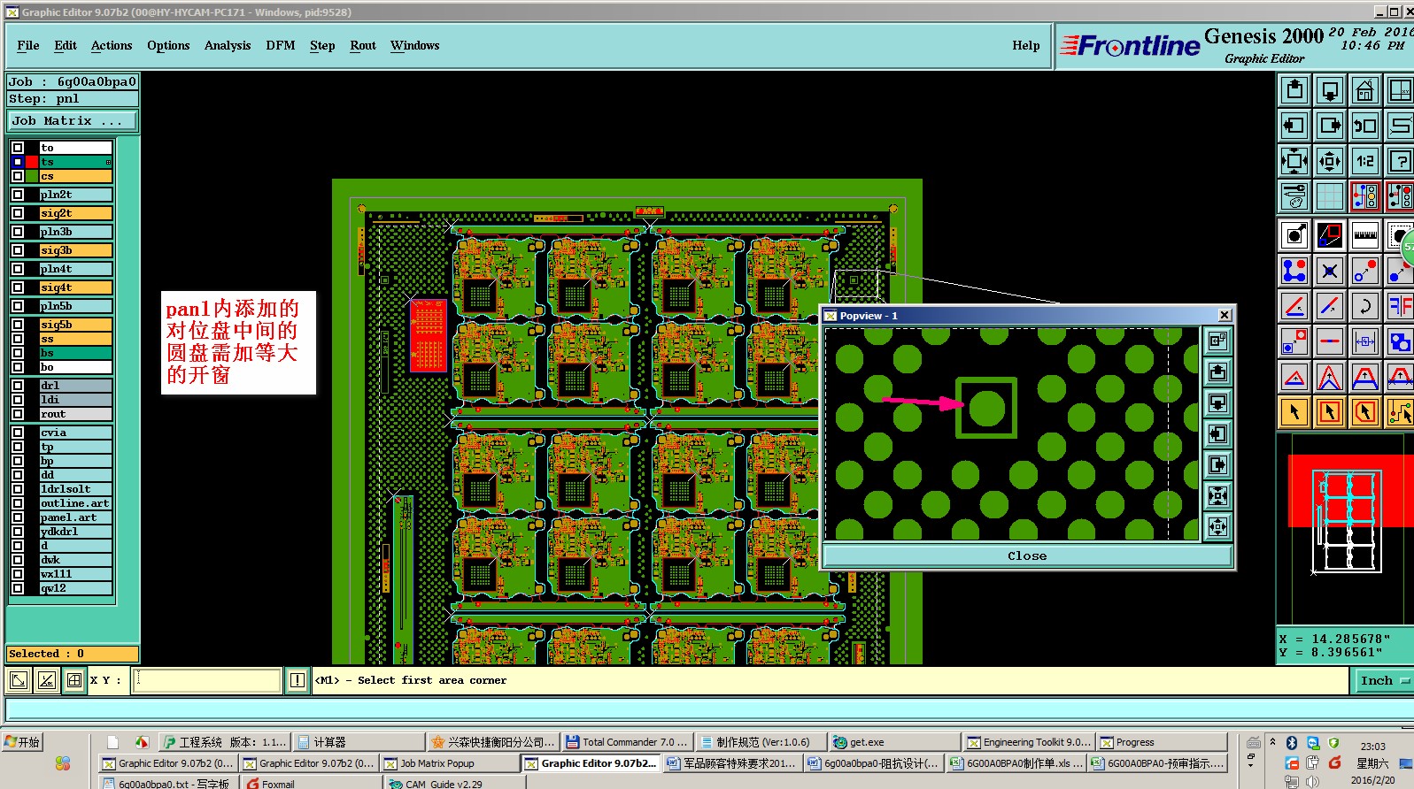
2016/2/20 23:20 495427 panl内添加的对位盘中间的圆盘需加等大的开窗.jpg
2016/2/20 23:20 345093 曝光点没有6mil.jpg
2016/2/20 23:20 76800 请输出检孔.jpg