59.51.60.5 - /FXD/8G00A0GYA0/a7a3fa0d-3972-49a0-8cba-c33833aa0e8e/


[To Parent Directory]

2018/7/16 20:05 193143 内层补偿错误.jpg
2018/7/16 20:05 211735 控深铣对应顶层未增加阻焊边框线.jpg
2018/7/16 20:05 118869 控深铣流程位置错.jpg
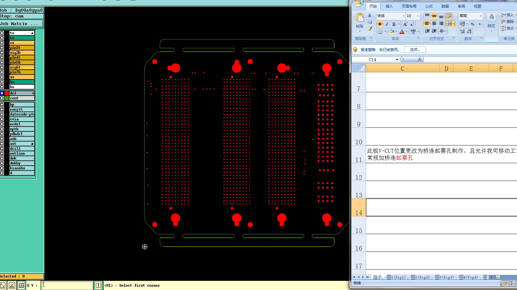
2018/7/16 20:05 276052 未加油票孔.jpg
2018/7/16 20:05 177687 连孔大孔按要求转line.jpg
2018/7/16 20:05 446774 顶层增加反光点.jpg