59.51.60.5 - /FXD/8S99S00AA0/20170626163349/


[To Parent Directory]

2017/6/26 16:33 289060 此处请完整移出.jpg
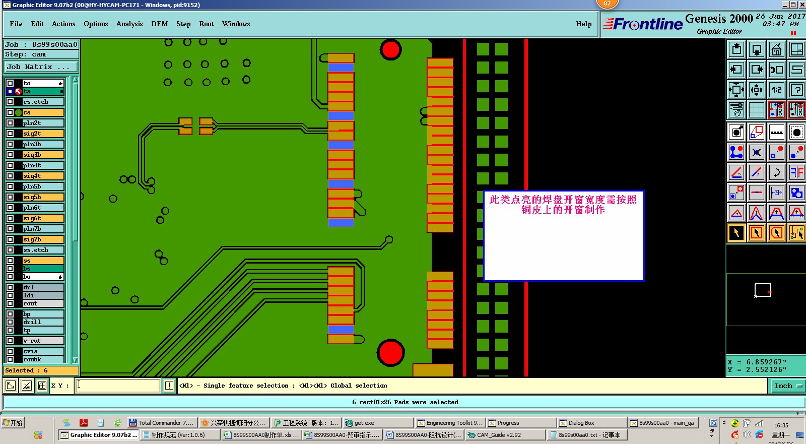
2017/6/26 16:33 327163 此类点亮的焊盘开窗宽度需按照铜皮上的开窗制作.jpg
2017/6/26 16:33 391770 附边反光点请做贴片.jpg