59.51.60.5 - /FXD/GA06105SA0/8f510056-3d43-45a0-a339-cb09751bc15c/


[To Parent Directory]

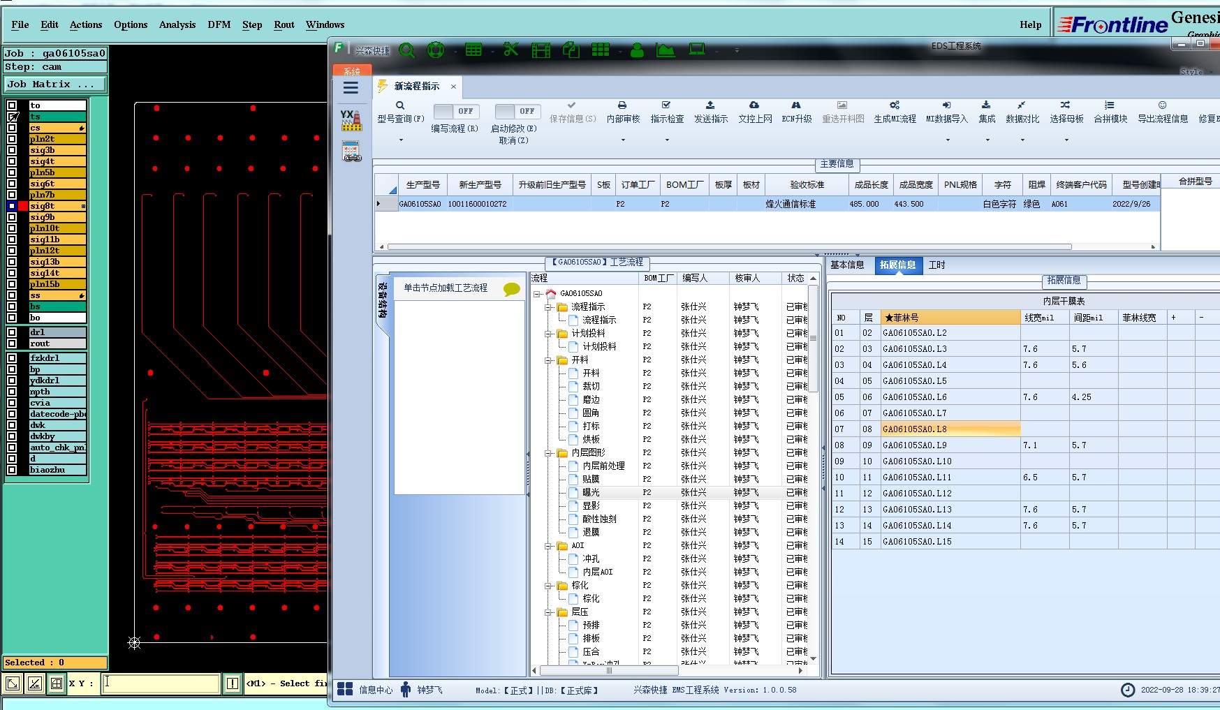
2022/9/28 18:51 449254 L8层请填下间距线宽.jpg
2022/9/28 18:51 186169 y.jpg
2022/9/28 18:51 245686 需填.jpg