59.51.60.5 - /HUJIAN/2A0610BLA0/


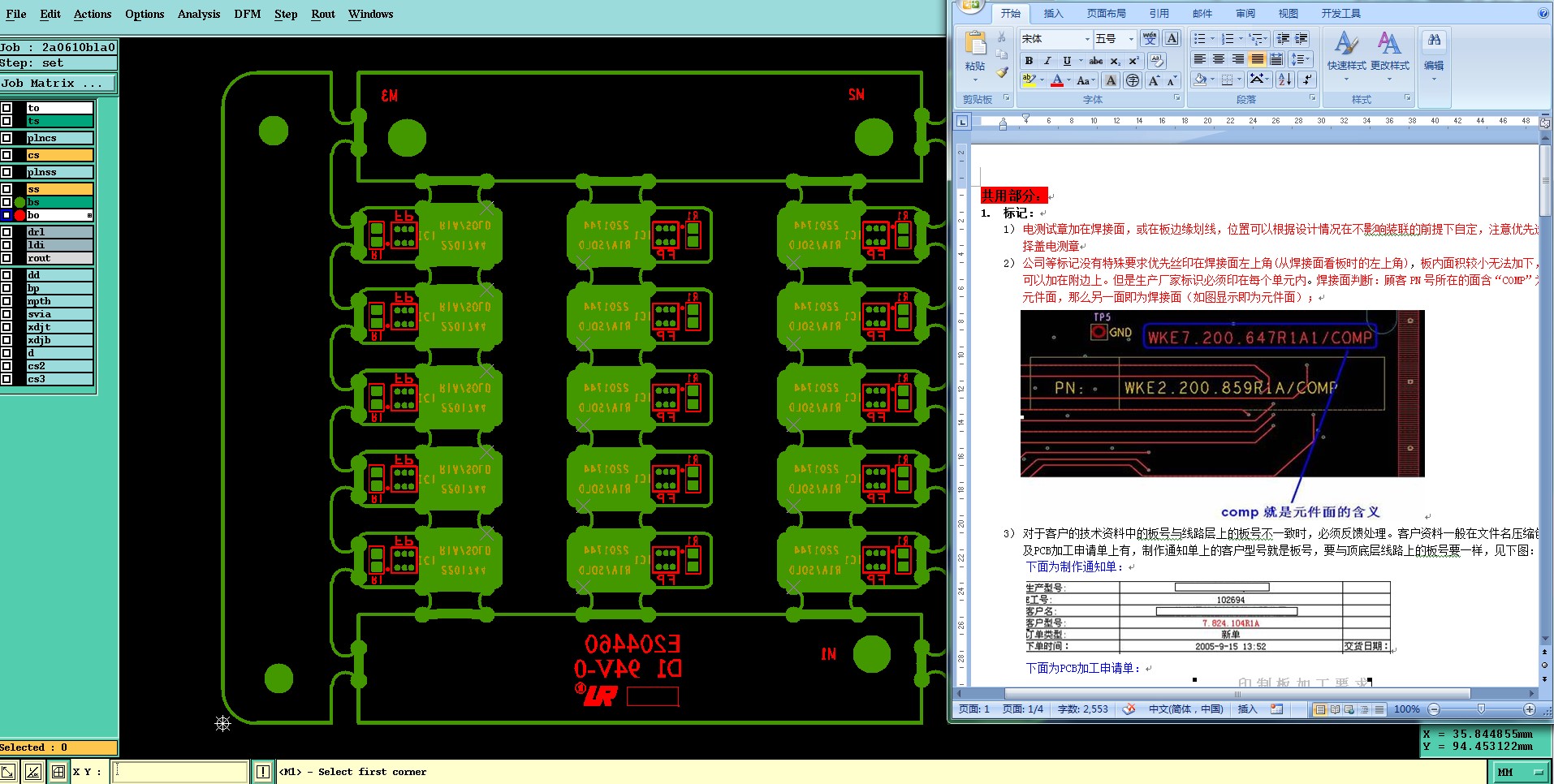
[To Parent Directory]

2015/8/19 12:22 67463 制作单上没有叠层.jpg
2015/8/19 12:22 230013 反光点没拷到贴片层.jpg
2015/8/19 12:22 117348 外层干膜流程错.jpg
2015/8/19 12:22 418695 没有要求不能直接加fp字母代替我司厂家标识。请确认.jpg
2015/8/19 12:22 237657 线路层0.2mil的细长条细丝请填实.jpg
2015/8/19 12:22 321801 铣倒角没拉到板边.jpg
2015/8/19 12:22 386406 预审指示桥连不足参考常规评审,实际文件也不满足常规评审要求.jpg